manual book
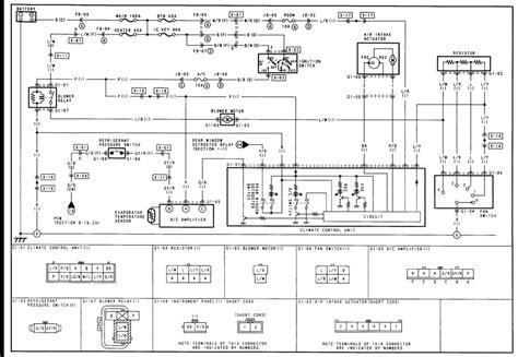
KRW Wiring Diagram For Mazda 323 Manual Book

Privacy Policy | DMCA | Contact DMCA

Wiring Diagram Mobil Toyota Kijang Super Privacy Policy | DMCA | C…
Fiat Doblo 1 9 Jtd Wiring Diagram Privacy Policy | DMCA | Contact …
Automotive Flasher Relay Wiring Diagram Privacy Policy | DMCA | Co…
Boss V Plow Joystick Controller Wiring Diagram Privacy Policy | DMC…
97 S10 Blazer Wiring Diagram Privacy Policy | DMCA | Contact DMCA…
Wiring Diagram Usb To Rs232 Privacy Policy | DMCA | Contact DMCA