ebook
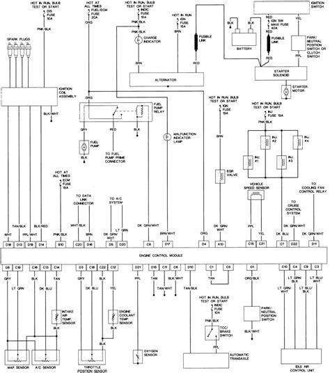
BLY 92 Lumina Wiring Diagram Read Info

Privacy Policy | DMCA | Contact DMCA

Wiring Diagram Mobil Toyota Kijang Super Privacy Policy | DMCA | C…
Fiat Doblo 1 9 Jtd Wiring Diagram Privacy Policy | DMCA | Contact …
Automotive Flasher Relay Wiring Diagram Privacy Policy | DMCA | Co…
Boss V Plow Joystick Controller Wiring Diagram Privacy Policy | DMC…
97 S10 Blazer Wiring Diagram Privacy Policy | DMCA | Contact DMCA…